4.1Display area description
4.2 Key Function Description
4.2.1 Function Key "M"
In measurement mode, press short to turn on and enter password setting.
In measurement mode, the main variable is zeroed in 5 seconds (i.e. PV zeroing).
In the setting mode, the short press is used to modify the enabling parameters, the modified parameters flicker, the confirmation parameters are changed again, and the modified parameters stop flickering.
4.2.2 Full key "S"
Short press in measurement mode is the function of modifying display mode.
In the measurement mode, the full point of the transmitter can be calibrated by pressing 5 seconds.
In the setting mode, one function is added for setting parameters, and one function is added for long-time continuous shifting.
4.2.3 Zero-setting key "Z"
Short press in measurement mode is the function of modifying display mode.
Five seconds in measurement mode is used to enter the zero-setting function (i.e. to calibrate the zero of the transmitter).
In the setting mode, to set the function of parameter shifting and subtracting one, long-time continuous shifting or subtracting one.
Overview of 4.2.4 Key Functions
The instrument sets and collects all parameters input and calibration data through three keys of the panel. Various optimization measures have been taken to improve the operation speed of customers.
The shift key and the increase key of the instrument have the function of variable speed.
The instrument has both shift and incremental input methods. For menus requiring a large number of modifications, the incremental method is adopted for menus requiring continuous input data.
Instrument will stop analog output in the setting state, so if the user does not operate the instrument within 60 seconds, it will automatically exit to the measuring state.
The instrument will save all the parameters set when it exits the menu normally.
4.3 Fast Function
The instrument has three fast functions: main variable zero clearing, zero active migration and full active migration, which are convenient for users to set on-site.
4.3.1 Principal Variable Clearing
Principal variable clearing is PV clearing, which is the zero of relative atmospheric pressure, not the zero of sensor range. Put the transmitter directly under atmospheric pressure and press the "M" key for more than 5 seconds, then it can enter the main variable zero-clearing function. For example, on the right, the menu area shows "P=0". Through the "S" key and "Z" key, select the operation needed, and the prompt area shows accordingly:
"NO" will not be cleared by the editor-in-chief.
"YES" for the editor-in-chief clearing zero;
"RESET" restores the zero before the zero clearing operation;
If there is no key operation within 30 seconds, the instrument will return to the measurement mode. This function is prohibited in the production process, suitable for use in the field.
4.3.2 Zero Active Migration
Active zero migration is to set the current pressure to the zero output of the transmitter, exert zero pressure on the transmitter, press the "Z" key for more than 5 seconds, the instrument will alternately display the current pressure value and zero output current value, such as the right figure, the menu area shows "LSt", through the "S" key and "Z" key to select the operation needed, lift. The indicator area is displayed accordingly:
"NO" does not perform zero active migration;
"YES" performs zero active migration;
If there is no key operation within 30 seconds, the meter will return to measurement mode. This feature is prohibited during production and is suitable for use on site.
4.3.3 Active migration at full point
The full point active migration is to set the current pressure as the full point output of the transmitter, to apply a full point pressure to the transmitter, press the "S" key for more than 5 seconds, and the meter will alternately display the current pressure value and the full point output current value., as shown in the figure on the right, The menu area displays "HSt". The "S" and "Z" keys select the actions to be performed. The prompt area is displayed accordingly:
"NO" does not perform full active migration;
"YES" performs full point active migration;
If there is no key operation within 30 seconds, the meter will return to measurement mode. This feature is prohibited during production and is suitable for use on site.
4.4 Boxes
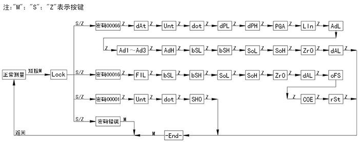
4.5 Menu description
This instrument menu is divided into "production debugging menu"; Advanced User Menu; The "Ordinary User Menu" level 3 is distinguished by the entry password of the menu at all levels.
"Production Debug Menu"
The entry password is "00066", which is used by the transmitter manufacturer. The basic parameters of the transmitter are set, and the accuracy, calibration value, and other parameters of the transmitter are determined. Therefore, the production debugging menu can not be open to ordinary users to avoid calibration data. Destruction.
"Advanced User Menu"
The entry password is "00016", which is used when performing some special settings for the transmitter on-site use requirements.
?
Ordinary User Menu
The entry password is "00001", which allows for display units, display resolution, and display mode settings.
Note: When the advanced user and user menu is set, if there is no key operation within 60 seconds, it will automatically exit the setting and return to measurement mode.
4.5.1 Password Settings Menu
Loc: Password Input Menu, Available(19999 ~ 99999), menu prompt "PIN"
Set the menu to enter the password. If the password is entered incorrectly or there is no key operation within 30 seconds, it will automatically return to measurement mode.
4.5.2 General user menu
Unt: User unit setting, range(0 to 18), menu prompt for each unit set
There are 19 types of unit settings, namely "MPa", "KPa", "Pa", "bar", "mbar", "PSI", "mH2O", "mmH2O", "InH2O", "ftH2O", "mHg", "mmHg", "InHg", "Kg/cm2", "ATM", "Torr", "M", "cm", "mm"
Dot: Display precision settings, range(0 to 4), menu prompt for current pressure unit
The display resolution is the number of decimal places displayed during the measurement mode. The user can set it according to the requirements of the field use. The number of decimal places displayed is not as large as possible, and the stability of the display value should be guaranteed as a matter of priority. At the same time, this menu value is limited by the maximum display value of the scale-time transmitter. If the number of decimal points set to display the maximum display value of the transmitter exceeds the 5-digit display range, The number of decimal places set is limited to ensure that the maximum display value can be displayed normally.
For example, the transmitter calibration range is 0.00000 to 20.000 MPa; The display accuracy set range is(0 to 3). If the display accuracy set value is 4, the maximum display value will exceed the maximum display range of 5 places.
SHO: Display mode setting, set range(0 to 5)
"0"-Show main variable, prompt "-PV- "
"1"-display current, prompt "-mA- "
"2"-display percentage, prompt"-%-"
"3"-The main variable is displayed alternately with the current, and the prompt "PV-mA"
" 4"-The main variable is displayed alternately with the percentage, and the prompt "PV-%"
" 5"-Current and percentage alternating, prompt" mA-% "
4.5.3 Advanced User Menu
FIL: Filter constant setting, set range(0 to 2)
"0"-Low filter, prompt "LOW"
"1"-in Filter, prompt "MId"
"2"-High filter, prompt "HIg"
The larger the filter constant value is set, the stronger the ability to suppress the interference, but the sensitivity will decrease. The default value of this menu value at the time of production is "1" as a medium filter effect, which can adapt to most applications.
BSL: Variable range lower limit setting, range can be set(-19999 ~ 9999), menu prompt shows the current pressure unit.
This feature can realize the zero passive migration of the variable output, and the set pressure value will correspond to the current value of the "SoL" zero current menu. For the convenience of user settings, the decimal point position in this menu can be set by pressing the button. So that the user can quickly set the required value.
The minimum range of the transmitter can be compressed according to 3:1 of the sensor range, and the maximum range can be set according to 1:1 of the sensor range. Beyond this range will affect the output accuracy of the transmitter.
BSH: Variable range upper limit setting, range can be set(-19999 ~ 9999), menu prompt shows the current pressure unit. "
This feature can realize the passive transfer of the full point of the variable output, and the set pressure value will correspond to the current value of the "SoH" full point current menu. For user convenience, the decimal point position in this menu can be set by pressing the button. So that the user can quickly set the required value.
The minimum transmission range of the transmitter can be compressed by 3:1 of the sensor range, and the maximum range can be set by 1:1 of the sensor range. Beyond this range will affect the output accuracy of the variable.
SoL: Fine-tuning of zero current, range(-150 ~ 200)
When setting this menu, the meter will alternately display the zero current value set by the factory and the zero current D/A fine adjustment value, while the transmitter outputs the set current value. When the set zero output current value is displayed, the menu prompt displays "L-OUT, When displaying the zero current D/A fine-tuning value, the menu prompt displays "L-D/A". If there is an error in the output zero current value during the transmitter use, the ammeter can be connected in a string in the transmitter power loop. The zero current value is fine-tuned by "S" and "Z", and the current fine-tuning range is about ± 0.2 mA.
SoH: Fine-tuning of full point current, range(-150 ~ 200)
When setting this menu, the meter will alternately display the full point current value set by the factory and the full point current D/A fine adjustment value, while the transmitter outputs the set current value. When the set full point output current value is displayed, the menu prompt displays "H-OUT", When displaying the full point current D/A fine-tuning value, the menu prompt displays "H-D/A". If there is an error in the output full point current value during the transmitter use, the ammeter can be strung in the transmitter power loop. The current value of the full point is fine-tuned by "S" and "Z", and the current fine-tuning range is about ± 0.2 mA.
ZrO: Zero full shielding factor, range(0.00 to 1.00), menu prompt "%"
This menu setting value represents the shield range of zero and full points, for example: menu value set to 0.10 indicates that when the transmitter output is close to zero or 0.10 % of the full point addition and subtraction range, the transmitter output will automatically stabilize at zero or full point, There is no phenomenon of output pulsation due to interference.
DAL: Overrange alarm switch, range(0 to 1)
This setting value indicates that the display flashes when the pressure value exceeds 125 % of the upper limit of the sensor range or 25 % of the lower limit of the range.
"0"-disable alarm function, prompt "NO"
"1"-turn on alarm function, prompt "YES"
OFS: Show offset value, range(-19999 ~ 99999), menu prompt shows the current pressure unit
By setting this menu value, you can offset the transmitter display and output value. The default value of this menu is 0 from the factory. In general, there is no need to set this menu value.
COE: Sensor sensitivity correction coefficient, range(0.0001 ~ 1.9999), menu prompt "GAIN"
During the use of the transmitter, if the sensitivity of the sensor changes, it can be corrected by this menu. Before the sensitivity correction of the transmitter, the zero error of the transmitter should be corrected by the primary variable zero(PV zero) function., To ensure that the linearity of the sensitivity correction is normal, the default value of this menu is "1.0000".
For example, the range of transmitter calibration is from 0.00000 to 20.000 MPa. After a period of time, the zero point becomes "0.0050 MPa" and the full point becomes "20.160 MPa". At this time, the zero point and sensitivity of the transmitter have changed. When correcting it, the zero error of the main variable should be cleared by using the zero function of the main variable. After the zero variable is cleared, the zero point of the transmitter is "0.0000 MPa" and the full point is "20.110 MPa". Then calculate the theoretical full point divided by the actual full point value to correct its sensitivity, IE 20.000 MPa/20 .110 MPa = 0.9945, and modify the sensor sensitivity correction coefficient to "0.9945" to correct the sensitivity change.
rSt: Restore factory data, available range(0 to 1)
This menu function is to restore the transmitter data to the factory state. This function is only valid when you exit the setting and save the data.
"0" -- Close Restore factory function, prompt "NO"
"1"-Open to restore factory function, prompt "YES"
4.5.4 Production and commissioning menus
DAt: Production number, range(000009999), menu prompt "ID"
This menu is used by the manufacturer to set the number information for the transmitter.
Unt: Plant unit setting, range(0 to 18), menu prompt for each unit set
There are 19 types of unit settings: "MPa", "KPa", "MPa", "Pa", "bar", "mbar", "PSI", "mH2O", "mmH2O", "InH2O", "ftH2O", "mHg", "mmHg", "InHg", "Kg/cm2", "ATM", "Torr", "M", "cm", "mm"
Dot: factory display precision setting, range(0 to 4), menu prompt for current pressure unit
The display precision is the number of decimal places displayed in the measurement mode. The number of decimal places is not as large as possible, and the stability of the display value should be guaranteed as a matter of priority.
DPL: Standard quantitative range lower limit setting, can be set range(-19999 ~ 9999), menu prompt shows the current pressure unit.
This setting corresponds to the zero pressure value added at the time of production.
DPH: Maximum set for the specified range, range(-19999 ~ 9999), menu prompt shows the current pressure unit
This setting corresponds to the full point pressure value added at the time of production.
PGA: Input signal magnification setting, range can be set(12.5, 25, 50, 75, 100, 125, 150, 200)
The menu prompt "GAIN" has a maximum input signal amplitude of ± 5 ~ 80mv@0.4 mA excitation, and a diffusion Silicon sensor signal range of ± 19 MV ~ 300mv corresponding to 1.5 mA excitation. It is generally recommended that the full input signal is reasonable at 75 %. Because there are many types of sensors on the market, their sensitivity is inconsistent. You can adjust through the panel keys. The specific reference standard is that the sensor views the value of the AD-H menu at full capacity. The absolute value of this value is generally reasonable between 40,000 and 100,000. Inappropriate need to adjust the "PGA" gain. The general diffusion silicon is set to 25 and the ceramic is set to 100.
LLIn: Correction point setting, range(2, 3, 5), menu prompt "Point"
After selecting the correction points, the software will automatically divide the pressure value of the calibration range. If the pressure device can not meet the corresponding pressure value, the pressure value can be modified in the corresponding fixed point setting. At the same time, it should be noted that the order of the given pressure values in the calibration process must be monotonous, IE AdLAd1 & GT; Ad2 & GT; Ad3 & GT; AdH, the instrument default collection value is 3 points correction, which can meet most of the application requirements. For higher linearity, it can be set to 5 points correction.
AdL: Zero School
When setting this menu, the instrument will alternately display the pressure value and the collection value set by the zero correction point. When displaying the calibration pressure value, the menu prompt will display the factory unit. When displaying the correct collection value, the menu prompt will display "A/D". The pressure value set by the zero-bit correction point has been set by the "dPL" menu. There is no need to modify it in this menu. When the "M" key is pressed, the zero correction collection is opened, and the menu prompt "A/D" begins to flash. The prompt is being collected. After the collection value is stable, press the "M" key again to confirm the collection.
Ad1 ~ Ad3: Middle School
The number of middle correction points is automatically allocated by the "LIn" correction point setting value. When setting the middle correction point, the instrument will alternately display the set pressure value and the collection value of the calibration time, and the menu prompt will display the factory unit when displaying the calibration pressure value. The menu prompt displays "A/D" when displaying the correct collection value.
If the pressure device can not meet the corresponding pressure value, it can be modified when the calibration pressure value is displayed. When the calibration value is displayed, the calibration collection is opened when the "M" key is pressed. At the same time, the menu prompt "A/D" begins to flash. The hint is being collected. After the collection value is stable, press the "M" key again to confirm the collection.
AdH: Full school
When setting this menu, the meter will alternately display the pressure value and the collection value set at the full correction point. When the calibration pressure value is displayed, the menu prompt will display the factory unit. When the correction value is displayed, the menu prompt will display "A/D". The pressure value set at the full correction point has been set by the "dPH" menu. There is no need to modify it in this menu. When the "M" key is pressed, the full correction collection is opened, and the menu prompt "A/D" begins to flash. The prompt is being collected. After the collection value is stable, press the "M" key again to confirm the collection.
BSL: Variable range lower limit setting, range(-19999 ~ 9999), menu prompt shows the current pressure unit
The factory indicates that the value of this menu is equal to the value of the "dPL" menu by default. When the value of the "dPL" menu is modified, the value of this menu is automatically modified. The set pressure value will correspond to the "SoL" zero current menu setting current value.
BSH: Variable range upper limit setting, range can be set(-19999 ~ 9999), menu prompt shows the current pressure unit
The factory indicates that the value of this menu is equal to the value of the "dPH" menu by default. When the value of the "dPH" menu is modified, the value of this menu is automatically modified. The set pressure value will correspond to the "SoH" full point current menu set current value
SoL: Zero current setting, available range(3.900 mA to 21.000 mA)
When setting this menu, the meter will alternately display the zero current value set by the factory and the zero current D/A value, while the transmitter output the set current value. When the set zero output current value is displayed, the menu prompt displays "L-OUT". When displaying the zero current D/A value, the menu prompt displays "L-D/A". The meter has been roughly calibrated at the factory time to set the required zero current directly in the state where the zero current value is displayed. Then the output current is accurately calibrated by the current meter connected in series to the power loop when the zero current DA value is displayed.
SoH: Full Point Current Settings, Available(3.900 mA to 21.000 mA)
When setting this menu, the meter will alternately display the full point current value and the full point current D/A value set by the factory, and the transmitter output the set current value. When the set zero output current value is displayed, the menu prompt will display "H-OUT", When displaying the zero current D/A value, the menu prompt displays "H-D/A". The meter has already roughly calibrated the current value at the factory, and the required full point current can be set directly in the state where the full point current value is displayed., The output current is then accurately calibrated by a current meter connected in series to the power loop when the full-point current D/A value is displayed.
ZrO: Zero full shielding factor, range(0.00 to 1.00), menu prompt "%"
This menu setting represents a zero full screen range, and a zero full screen is turned off when setting a value to "0.00". Example: Set to 0.10 indicates that when the transmitter output is close to 0.10 % of the zero or full point addition and subtraction range, the transmitter output will automatically stabilize at the zero or full point, and there will be no output pulsation due to interference. phenomenon.
DAL: Overrange alarm switch, range(0 to 1)
This setting value indicates that the display flashes when the pressure value exceeds 125 % of the upper limit of the sensor range or 25 % of the lower limit of the range.
"0"-disable alarm function, prompt "NO"
"1"-turn on alarm function, prompt "YES"
4.5.5 Exit Settings Menu
End: Exit Settings menu, set range(0 to 1)
"0"-Do not save the setting value and exit the setting state, prompt "NSAVE"
"1"-Save the set value and exit the set state, prompt "SAVE"
|